| 產品類別 LT系列電動推桿 GD電動推桿 DTT型重型電動推桿 DT電動推桿 DTZ電動推桿 TDT電動推桿 電液推桿 電動槽角 電動三通擋板 緩沖鎖氣器 小型電動推桿 聯系方式 
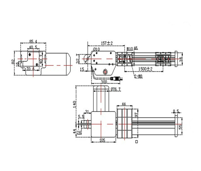
無錫龍盛推桿機械制造有限公司 電話:+86-0510-83557548 傳真:+86-0510-83555150 聯系人:管偉峰 手機:13951567663 網址:www.angel-1.cn 郵箱:lsddtgcom@126.com 地址:江蘇省 無錫市 楊市保陽路3號 |  產品名稱:新型無線手控電動推桿 技術參數:  1.永磁直流電機驅動;電壓:12,24伏特 2.最大推拉力:450KG-500KG 3.最小安裝尺寸(推桿完整收縮后兩孔的中心距):L=S(行程)+150mm;推桿完全伸出去前后兩孔中間的距離=2XS(行程)+150mm 4.出廠工作距離:S=(50、100、150、600)mm,可按客戶要求定制。 5.空載速度:滿載50mm/s 6.額定載荷速率:10mm/s(400KG)-40mm/s(30KG) 7.工作環境:-5度+40度 8.標準保護等級:IP30 9.內置行程開關 10.低噪音設計,噪音等級低于48dB 11.可配有線或者遙控器 該系列直流電動推桿廣泛應用于電動護理床、手術床、牽引床、按摩椅、牙科椅、電動輪椅、電動沙發、電動展臺、電動天窗、人體工程家具等需直線運動執行機構的場合,安裝十分方便,在醫療、消防、家居、機電、化工、衛生潔具、休閑等多個領域得到廣泛應用。  上一篇:緩沖鎖氣器 下一篇:緩沖鎖氣器 |